产品介绍
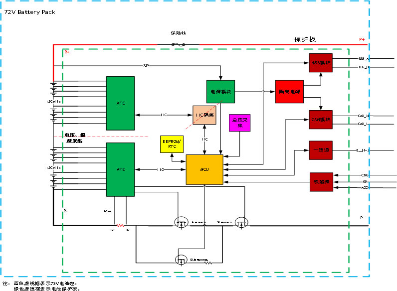
B8P2系列BMS,是一种一体化软件保护板。主要应用于对低速轻型车用24串72V铁锂电池系统的管理,采用AFE+MCU+隔离通讯+低内阻MOS管控制方案,低边充放电同口控制,可实现电芯过充、过放、过流、过温与短路保护。为电动自行车和电摩提供全周期的安全保障。
优势特点
1、支持23串单体电池电压信息监测;
2、支持11路NTC (10K)温度信息监测;
3、支持被动均衡,均衡电流58.8mA@单体电压3.65V;
4、支持一线通、CAN、485通讯;
5、支持1路同口低边充放电MOS控制功能;
6、支持ON、ACC、CRG、300mA小电流唤醒;
7、具备对锂电池组进行充放电管理,并具有过充、过放、过流、过温、欠温及短路保护功能。
产品参数
| 功能模块 | 功能细分 | 描述 | 备注 |
| 系统供电 | 供电方式 | 电池总正及总负端取电 | @72V |
| 供电电压范围 | 30V~100V | ||
| 功耗 | 休眠功耗:≤100uA | ||
| 待机模式:≤700uA | |||
| 工作模式:≤15mA | |||
| 唤醒功能 | ACC信号唤醒;ON信号唤醒;CRG信号唤醒;电流唤醒;RTC唤醒 | ||
| 电压采集 | 模组总电压检测 | 检测通道数:2路 | |
| 检测范围:30V~100V | |||
| 检测精度:≤±1V | |||
| 单体电压检测 | 检测串数:23S | ||
| 检测范围: 0~5V | |||
| 检测精度:(15℃~35℃) ±15mV, 全温度±25mV | |||
| 电流检测 | 充放电电流检测 | 检测方式:通过分流器进行电流采集 | 根据实际电池匹配 |
| 检测范围:-150A~150A | |||
| 检测精度: -30A~30A,电流精度±200mA; 30A 以外,电流精度± 2%; | |||
| 均衡功能 | 电池电压均衡 | 均衡方式:被动均衡 | @单体电压3.65V |
| 均衡电流:58.8mA | |||
| 温度采集 | 电芯/预充电阻温度检测 | 检测通道数:5路 | |
| 检测范围:-40~125℃ | |||
| 检测精度:±2℃(-30~65℃),±3℃(其他) | |||
| MOS/均衡/环境温度检测 | 检测通道数:6路 | ||
| 检测范围:-40~125℃ | |||
| 检测精度:±2℃(-30~65℃),±3℃(其他) | |||
| 高压回路控制及载荷 | 充放电控制 | 充放电同口,MOS管实现回路通断控制 | @30S |
| 载荷能力 | 持续放电电流能力:80A | ||
| 脉冲放电电流能力:130A | |||
| 预充功能 | 预充电流 | 预充电流≥1A | 72V:满足最低电压50V时预充电流≥1A@1S |
| 通讯 | CAN通讯 | 通过CAN通讯方式,实现监控BMS和电池包的状态 | |
| 定时唤醒 | 定时巡检 | 系统每隔2小时定时巡检 | |
| Bootloader | 程序下载 | 通过CAN接口下载程序 | |
| 工作温度 | -40℃~85℃ | ||
| 存储温度 | -40℃~85℃ |
产品结构图
COPYRIGHT © 色情短视频-色情短视频网站 ALL RIGHTS RESERVED. 技术支持:明图网络
ICP备案号:皖ICP备15018950号-2
