产品介绍
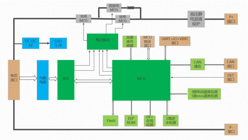
B2P16系列BMS,是一种一体化软件保护板。主要应用于对低速轻型车用16串51.2V铁锂电池系统的管理,
提供电芯过充、过放、过流、过温与短路保护。
优势特点
1、高精度电压、电流及温度检测;
2、具备电芯均衡功能,有效提高电池使用寿命;
3、具备电池热失控预警功能;
4、具备进水检测功能;
5、具备过充、过放、过流、过温和短路保护功能;
6、稳定性高、性价比高。
产品参数
| 功能模块 | 功能细分 | 描述 |
| 系统供电 | 供电方式 | 电池总正及总负端取电 |
| 供电电压范围 | 30~60V | |
| 功耗 | 休眠功耗: Iq≤400μA@48V/休眠模式 Iq≤50μA@48V/深度休眠模式 | |
| 唤醒功能 | 工作模式:≤10mA@48V | |
| Det信号唤醒 | ||
| CAN唤醒 | ||
| 电压采集 | 模组总电压检测 | 检测范围:0-70V |
| 检测精度: 0.5%@≥20V 0.5V@<20V | ||
| 电流检测 | 单体电压检测 | 检测范围:0-5V |
| 检测精度:≤±10mV | ||
| 充放电电流检测 | 检测方式:通过分流器进行电流采集 | |
| 检测范围:-50A~50A | ||
| 检测精度: 30mA@<1A 3%@(1A~5A) 1%@>5A | ||
| 均衡功能 | 电池电压均衡 | 均衡方式:被动均衡 |
| 均衡电流:≥[email protected] | ||
| 温度采集 | 电芯温度检测 | 检测范围:-40℃~125℃ |
| 检测精度: ≤±2℃@-20℃~60℃ ≤±3℃@-40℃~-20℃ ≤±3℃@60℃~125℃ | ||
| MOS温度检测 | 检测范围:-40℃~125℃ | |
| 检测精度: ≤±2℃@-20℃~60℃ ≤±3℃@-40℃~-20℃ ≤±3℃@60℃~125℃ | ||
| 进水检测 | 两路进水检测 | 能够检测电池模组内外壳有无进水 |
| 高压回路控制及载荷 | 充放电控制 | 充放电同口,MOS管实现回路通断控制 |
| 载荷能力 | 持续充电电流能力:10±0.5A | |
| 持续放电电流能力:25±0.5A | ||
| 通讯 | CAN通讯 | 通过CAN通讯方式,实现保护板与整车之间的通讯 |
| 存储功能 | EEPROM存储 | 包含充放电电流,单体电压,最高单体电压及其编号,最低单体电压 及其编号,最高单体温度及其编号,最低单体温度及其编号、历史故障代码, SOC, SOH,累积充电电 量,累积放电电量等 |
| 保护功能 | 单体过充保护 | 保护值和恢复值可设 |
| 单体过放保护 | 保护值和恢复值可设 | |
| 充电过流保护 | 保护值和恢复值可设 | |
| 放电过流保护 | 保护值和恢复值可设 | |
| 充放电高温保护 | 保护值和恢复值可设 | |
| 充放电低温保护 | 保护值和恢复值可设 | |
| MOS过温保护 | 保护值和恢复值可设 | |
| 输出短路保护 | 保护值和恢复值可设 | |
| 工作温度 | -30℃~85℃ | |
| 存储温度 | -10℃~35℃ | |
| 工作湿度 | 5%~95% |
产品结构图
COPYRIGHT © 色情短视频-色情短视频网站 ALL RIGHTS RESERVED. 技术支持:明图网络
ICP备案号:皖ICP备15018950号-2
